广东省深圳市光明区玉塘街道田寮社区光侨路九号路江苏淮安翔宇模型有限公司智造产业园

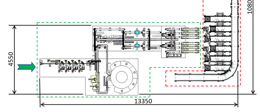
采用转塔结构实现高速热缩,节省占地面积;
采用夹爪方式夹取电芯定位,兼容钢铝壳电芯。
自动上料
扫码定位
贴绝缘片机构
套膜机构
热缩机构
尺寸测量机构
重量测量机构
外观检测机构
分档下料机构
打包物流线机构
| 外形尺寸 | 单线 l*w*h≤ 13500*5400*2500mm |
| 单机产能 | ≥ 70ppm |
| 适用电芯尺寸 | 直径:30-50mm;长度:130-200mm |
请填写以下表格,我们将尽快与您联系
您的姓名 *
您的公司 *
您的电话 *
您的邮箱 *
您的留言 *
